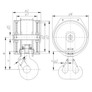
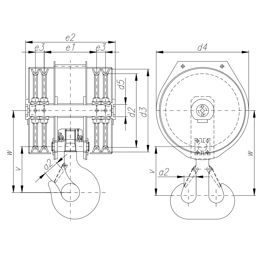
Hook Block For Hoist
State-of-the-art hook block, designed for very demanding conditions. It complies with the FEM/DIN standards. Suspensions follow DIN15411 and they are supplied with safety latch. Material: suspension: class V (other qualities if requested), shaft: 42CrMo4, supports: S355J2G3
Hook block for hoist 1 sheave
Hook block for hoist 2 sheave
Hook block for hoist 4 sheave
Hook block for hoist 6 sheave
Hook block for hoist 8 sheave











Đánh giá
Chưa có đánh giá nào.